woshi_ziyu
发表于: 2015-7-26 11:59:12 | 显示全部楼层

STM32F746G-DISCO探索板中文用户手册

@一板网

UM1907用户手册  

STM32F7系列探索套件(STM32F746NG微控制器)


简介


STM32F746G-DISCO探索板是用于评估意法半导体基于ARM Cortex-M7内核的STM32F746NGH6微控制器的完整演示和开发平台。该微控制器具有4个I2C、6个SPI(其中3个可复用为单工I2S)、SDMMC、4个USART、4个UART、2个CAN、3个12位的ADC、2个12位的DAC、2个SAI、8到14位数码相机模块接口、内置320+16+4K字节的SRAM及1M字节的Flash、USB高速OTG、USB全速OTG、以太网MAC、FMC接口、四通道SPI接口、JTAG调试支持。该探索板提供所需的一切,使得用户可以快速上手并且方便地开发应用程序的一切。


探索板上全面的的硬件功能,有助于评估几乎所有的外设(USB高速OTG、USB全速OTG、10/100Mb以太网、microSD卡、USART、带有插孔输入和输出的SAI音频DAC立体声音频、MEMS数字麦克风、SDRAM、四通道SPI Flash存储芯片、带有电容式多点触控面板的4.3寸彩色TFT-LCD、SPDIF RCA输入等),并且开发自己的应用程序。 Arduino Uno V3接口使其能够根据具体应用方便地连接扩展板或者子板。集成的ST-LINK/V2-1提供了一个STM32微控制器的嵌入式调试器和编程器。


图1. STM32F746G-DISCO探索板(顶视图)

STM32F746G-DISCO中文用户手册.jpg


图2. STM32F746G-DISCO探索板(底视图)

001.jpg



跳转到指定楼层
woshi_ziyu
发表于: 2015-7-28 16:07:23 | 显示全部楼层

1  硬件布局和配置


STM32F746G-DISCO探索板是基于STM32F746NGH6(216脚TFBGA封装)设计。硬件结构框图(见图3)说明了STM32F746NGH6和外设之间的连接关系(SDRAM,四通道SPI Flash闪存,摄像头模块,彩色液晶显示器,USB OTG连接器,USART,以太网,音频,SPDIFRX,MicroSD卡,Arduino Uno和嵌入式ST-LINK),并且图3将有助于在实际发现板中找到这些功能。

图3.硬件结构框图

002.jpg

图4. STM32F746G-DISCO探索板顶部布局图

003.jpg

图5. STM32F746G-DISCO探索板底部布局图

005.jpg


如果你能看到我的世界里那些渐渐消逝的美好,你就能体会到现在所拥有的幸福。
回复

使用道具 举报

woshi_ziyu
发表于: 2015-7-28 16:07:27 | 显示全部楼层

1.1 ST-LINK/V2-1嵌入式工具

STM32F746G-DISCO探索板集成了ST-LINK/V2-1编程和调试工具。与ST-LINK/V2相比变化如下:

ST-LINK/V2-1支持的新特性:

• USB软件重新枚举

• 在USB虚拟COM串口

• 在USB大容量存储接口

• USB电源管理需求USB端口提供超过100mA的电流

ST-LINK/V2-1不再提供支持这些功能:

• SWIM接口

• 应用电压低于3伏

欲了解有关V2和V2-1之间的调试和编程功能的所有基本信息,请参考ST-LINK/ V2用户手册(UM1075)。


1.1.1 驱动

ST-LINK/V2-1需要一个专用的USB驱动程序,可以在www.st.com找到适用于Windows 7和8。在Windows XP中ST-LINK/ V2-1驱动程序需要在使用ST-LINK/V2-1之前安装了WinUSB(可以从Microsoft网站找到或者包含在用于XP ST-LINK/V2的USB驱动程序)。

当STM32F746G-DISCO探索板在安装驱动程序之前连接到PC时,在PC的设备管理器中一些STM32F746G-DISCO接口有可能显示为“未知设备”。在这种情况下,用户必须安装的驱动程序文件,并从设备管理器更新连接设备的驱动程序。

注:推荐使用“USB Composite Device”进行全面修复。

001.jpg


1.1.2 ST-LINK/V2-1更新固件

ST-LINK/V2-1集成了一个固件升级机制用于通过USB端口进行原位升级。由于固件在ST-LINK/V2-1的产品周期内发生变化(比如新的功能、bug修复、支持新的微控制器家族),推荐在开始使用STM32F746G-DISCO板时,且周期性的访问www.st.com,以便保持最新的固件版本。



如果你能看到我的世界里那些渐渐消逝的美好,你就能体会到现在所拥有的幸福。
回复

使用道具 举报

woshi_ziyu
发表于: 2015-7-28 16:07:32 | 显示全部楼层

1.2 电源

STM32F746G-DISCO探索板设计为5V直流电源供电。可以配置该探索板使用以下五种源方式中的任意一个作为电源。

• 5V直流电源适配器,连接到JP2 (JP1丝印(5V ext)外接电源)。

图 6. JP1 (5V ext) 来自JP2 (5V)

图 6.jpg

• 7-12V直流电源,CN6的丝印名为Vin的引脚,Arduino UNO板或者子板的扩展连接接口(JP1丝印(5V ext)外接电源)。

图 7. JP1 (5V ext)来自CN6 (Vin)

图 7.jpg

• 限制的5V直流电源,来自ST-LINK/V2-1的mini-B型USB接口CN14(USB 5V电源输入JP1丝印 (5V link))。该项为默认设置。如果USB枚举成功(如以下描述),ST-LINK通过置位PWR_ENn信号开启5V link电源。该引脚连接到向板子供电的电源开关芯片(ST890)。该电源开关还有电流限制的功能,一旦电路板发生短路(超过600mA)时保护PC。

STM32F746G-DISCO探索板可以通过ST-LINK的USB接口CN14(5V link)供电,但是只能在USB枚举之前ST-LINK的电流可以满足需要的情况下,因为那时主机PC只能提供100mA的电流。在USB的枚举过程中,STM32F746G-DISCO探索板要求主机PC提供500mA的电流。如果主机能够提供所需的功率,那么通过“SetConfiguration”指令完成枚举过程,然后功率晶体管 U8 (ST890)转换到ON,红色的发光二极管LD2点亮,这时STM32F746G-DISCO 探索板可以可以消耗最大500mA的电流,但不能再多。如果主机不能够提供所需的电流,枚举过程失败。因此ST890 (U8) 仍然处于OFF状态,同时MCU部分包括扩展板将不会通电,因此红色的LED灯LD2仍保持熄灭。在这种情况下,强制要求使用外部电源。

图 8. JP1 (5V link)

图 8.jpg

注:如果探索板使用USB充电器供电,将没有USB枚举过程,所以红色LED灯LD2一直保持熄灭状态同时探索板不会供电。只有在特定的情况,电阻R109需要焊接,允许在任何情况下都向探索板供电。

当STM32F746G-DISCO探索板是使用5V供电正常,LED灯LD2点亮。

注意:当R109焊接时不要连接PC机到ST-LINK(CN14)。电脑可能会被损坏或探索板供电不正常。

• 5V直流电源,最大电流500mA,来自于USB OTG全速micro-AB接口CN13(USB 5V电源JP1丝印(usb_fs))。

图 9. JP1 (usb_fs)

图 9.jpg

• 5V直流电源,最大电流500mA,来自于USB OTG高速micro-AB接口CN12(USB 5V电源JP1丝印(usb_hs))。

图10. JP1 (usb_hs)

图 10.jpg


如果你能看到我的世界里那些渐渐消逝的美好,你就能体会到现在所拥有的幸福。
回复

使用道具 举报

woshi_ziyu
发表于: 2015-7-28 16:08:54 | 显示全部楼层

1.3 电源供电不从ST-LINK(5V link)时的编程和调试

强制要求首先使用JP1(5V ext)或者(usb_hs)或者(usb_fs)向探索板供电,然后再连接USB线缆到PC。使用这种方式处理保证使用外部电源时枚举能够成功。

必须遵循以下的上电顺序过程:

1.连接跳线JP1到(5V ext)或(usb_hs) 或 (usb_fs)

2.连接外部电源到 JP2或CN6 或CN12 或 CN13

3.检查红色LED灯LD2是否点亮

4.连接PC到USB接口CN14


如果没有按照以上顺序操作,探索板可能首先通过ST-LINK的VBUS供电,然后可能遇到以下的风险:

1.如果探索板需要超过500mA的电流,PC可能会损坏或者PC限制电流。结果是探索板不能正常供电。

2.在枚举时需要500mA的电流,所以就会有风险,如果PC不能提供这样的电流,请求会被拒绝,同时枚举不会成功。


1.4 时钟源

高达3个时钟源,如下所述:

• X1, 24MHz振荡器,用于USB OTG高速PHY和相机模块(子板)。

• X2, 25MHz振荡器用于STM32F746NGH6微控制器和 网络PHY。

• X3, 32KHz晶振用于STM32F746NGH6的嵌入式RTC。


1.5复位源

STM32F746G-DISCO探索板的复位信号为低电平有效,这些复位源包含:

• 复位按钮B2

• Arduino Uno扩展板来自CN6

• 嵌入的ST-LINK/V2-1


1.6 音频

CIRRUS的音频解码器WM8994ECS/R带有4个DAC和2个ADC,连接到STM32F746NGH6的SAI接口。它与STM32F746NGH6通过I2C总线进行通讯,并且与相机模块和I2C扩展接口共用该总线。

• 模拟信号线输入通过蓝色的音频插孔CN11连接到WM8994ECS/R的ADC。

• 模拟信号的输出通过绿色的音频插孔CN10连接到WM8994ECS/R的DAC。

• 两个外置扬声器可以通过JP3右扬声器和JP4左扬声器连接到WM8994ECS/R。

• 两个数字麦克风(ST MEMS麦克风)MP34DT01TR位于STM32F746G-DISCO探索板上。它们连接到WM8994ECS/R的数字输入麦克风。

• STM32F746G-DISCO探索板实现了一个同轴连接器CN1,用于接收与SPDIF规范兼容的外接音频数据。


1.7 USB OTG FS

STM32F746G-DISCO探索板支持USB OTG全速通信,通过USB Micro-AB接口CN13及连接到VBUS的USB电源开关U6。该探索板可以使用这个USB连接通电,直流5V且限制为500mA电流。绿色的LED灯LD5在这些情况下将会点亮:

• 电源开关U6为ON且STM32F746G-DISCO 作为USB主机运行。

• 当STM32F746G-DISCO作为USB设备运行时,VBUS通过另一个USB主机通电。

注:

当发生过电流情况时,红色的LED灯LD6将会点亮。

当STM32F746G-DISCO探索板使用OTG功能时,应当使用外部电源供电。


1.8 USB OTG HS

STM32F746G-DISCO探索板支持USB高速通信,通过USB mciro-AB接口CN12以及MICROCHIP公司用于高速功能的的USB高速PHY (U15) USB3320C-EZK。

该探索板可以使用USB接口(CN12)通电,直流5V且限制为500mA电流。

一个USB电源开关(U7)也连接到了VBUS并且向CN12提供电源。

以下任一情况下绿色的LED灯LD4将会点亮:

• 电源开关U7为ON且STM32F746G-DISCO 作为USB主机运行。

• 当STM32F746G-DISCO作为USB设备运行时,VBUS通过另一个USB主机通电。

当发生过电流情况时,红色的LED灯LD3将会点亮。

注: 当STM32F746G-DISCO探索板使用OTG功能时,应当使用外部电源供电。


1.9  MicroSD卡

探索板支持2GB(或者更高)的MicroSD卡,连接到STM32F746NGH6的SDMMC1接口。


如果你能看到我的世界里那些渐渐消逝的美好,你就能体会到现在所拥有的幸福。
回复

使用道具 举报

woshi_ziyu
发表于: 2015-7-28 16:09:01 | 显示全部楼层

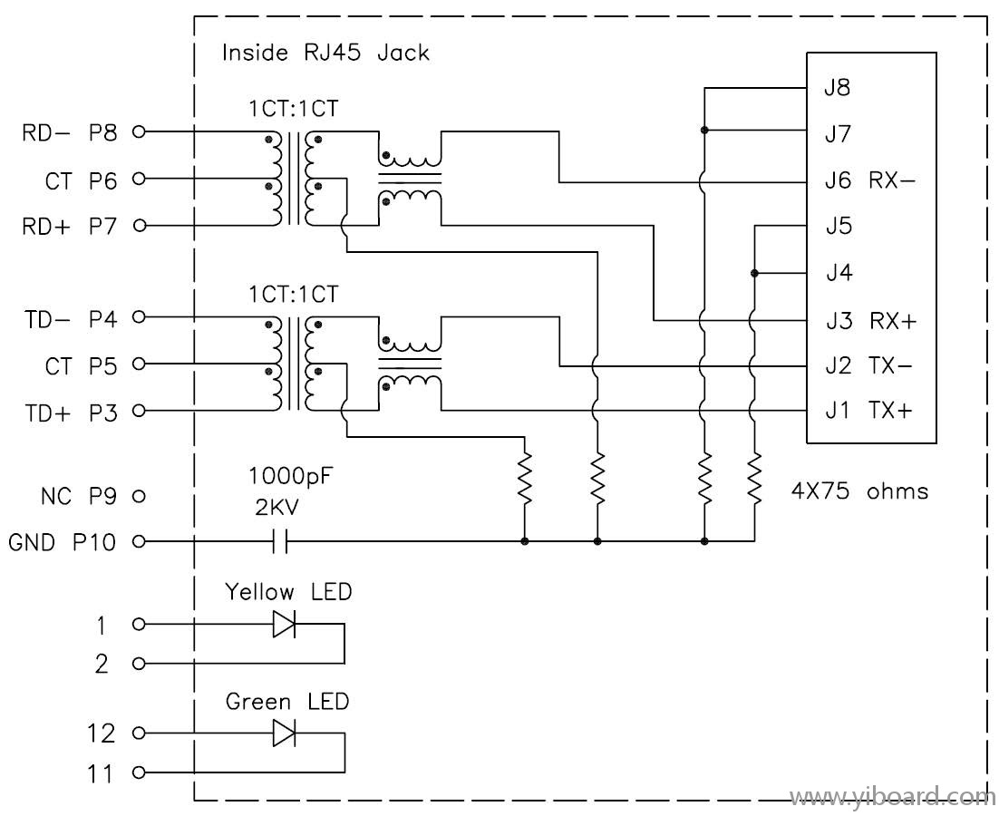
1.10 以太网

STM32F746G-DISCO探索板支持10M/100M以太网通讯,采用MICROCHIP的PHY LAN8742A-CZ-TR(U9)和集成RJ45接口。以太网PHY通过RMII接口连接到STM32F746NGH6。

PHY的25MHz时钟是由振荡器X2产生,STM32F746NGH6的50 MHz时钟是由PHY的RMII_REF_CLK产生。

图 11. RJ45插座内部

图11.jpg


1.11 SDRAM内存

128M位的SDRAM(MICRON的MT48LC4M32B2B5-6A)连接到STM32F746NGH6的FMC接口。只使用了低16位的数据(可访问64M位)。DQ16到DQ31是没有使用的,而且连接到一个10K欧姆的下拉电阻。


1.12  四通道SPI Nor Flash闪存

128M位的四通道SPI Nor Flash闪存(MICRON的N25Q128A13EF840E)连接到STM32F746NGH6的四通道SPI接口。


1.13  相机模块

带有DCMI信号的接口P1可以连接一个相机模块,如STM32F4DIS-CAM(ST订购代码)。


1.14  TFT液晶显示屏

ROCKTECH的带电容触摸板的4.3寸480x272 TFT彩色液晶显示屏,连接到STM32F746NGH6的RGB LCD接口。


如果你能看到我的世界里那些渐渐消逝的美好,你就能体会到现在所拥有的幸福。
回复

使用道具 举报

woshi_ziyu
发表于: 2015-8-19 11:08:59 | 显示全部楼层

2 接口


2.1 I2C扩展接口CN2

图 12. I2C扩展接口CN2 (前视图)

图12.jpg


表 1. I2C扩展接口CN2

引脚编号
描述
引脚编号
描述
1
I2C_SDA (PB9)
5
+3V3
2
NC
6
NC
3
I2C_SCL (PB8)
7
GND
4
RESET(PC10)
8
NC or 5V

2.2 相机模块接口P1

图 13. 相机模块接口P1 (前视图)

图13.jpg


表 2. 相机模块接口P1

引脚编号
描述
引脚编号
描述
1
GND
16
GND
2
NC
17
DCMI_HSYNC
3
NC
18
NC
4
DCMI_D0
19
DCMI_VSYNC
5
DCMI_D1
20
3V3
6
DCMI_D2
21
Camera_CLK (OSC_24M)
7
DCMI_D3
22
NC
8
DCMI_D4
23
GND
9
DCMI_D5
24
NC
10
DCMI_D6
25
DCMI_PWR_EN
11
DCMI_D7
26
DCMI_NRST
12
NC
27
DCMI_SDA
13
NC
28
DCMI_SCL
14
GND
29
GND
15
DCMI_PIXCK
30
3V3

2.3 第三版Arduino Uno接口

CN4、CN5、CN6和CN7 是母头连接器且与Arduino的标准兼容。为Arduino设计的大多数扩展板可以适用于STM32F746G-DISCO探索板。

STM32F746G-DISCO探索板上的Arduino接口支持第三版Arduino Uno。

注意: STM32微控制器的IO均为3.3V兼容,而不是Arduino Uno的5V。

表 3. Arduino接口 (CN4, CN5, CN6, CN7)

表 3.jpg


2.4 USB OTG高速微型AB接口CN12


图14. USB OTG微型AB连接器CN12(前视图)

图14.jpg


表4. USB OTG高速微型AB接口CN12

引脚编号
描述
引脚编号
描述
1
VBUS
4
ID
2
D-
5
GND
3
D+
-
-


如果你能看到我的世界里那些渐渐消逝的美好,你就能体会到现在所拥有的幸福。
回复

使用道具 举报

woshi_ziyu
发表于: 2015-8-24 09:24:28 | 显示全部楼层

2.5 以太网RJ45接口CN9

图15.以太网RJ45接口CN9(前视图)

图15.jpg


表5. RJ45接口CN9

引脚编号
描述
引脚编号
描述
1
A, 黄色LED
7
RD+
2
K, 黄色LED
8
RD-
3
TD+
9
NC
4
TD-
10
GND
5
CT, 3V3
11
K, 绿色LED
6
CT, 3V3
12
A, 绿色LED

2.6 USB OTG全速微型AB接口CN13

图16. USB OTG全速微型AB接口CN13(前视图)

图16.jpg


表6. USB OTG全速微型AB接口CN13

引脚编号
描述
引脚编号
描述
1
VBUS (PA9)
4
ID (PA10)
2
D- (PA11)
5
GND
3
D+ (PA12)
-
-


如果你能看到我的世界里那些渐渐消逝的美好,你就能体会到现在所拥有的幸福。
回复

使用道具 举报

woshi_ziyu
发表于: 2015-8-24 09:24:33 | 显示全部楼层

2.7 MicroSD接口CN3

图17. MicroSD接口CN3 (前视图)

图17.jpg

表7. MicroSD接口CN3

引脚编号
描述
引脚编号
描述
1
SDMMC_D2 (PC10)
6
Vss/GND
2
SDMMC_D3 (PC11)
7
SDMMC_D0 (PC8)
3
SDMMC_CMD (PD2)
8
SDMMC_D1 (PC9)
4
+3.3V
9
GND
5
SDMMC_CK (PC12)
10
MicroSDcard_detect (PC13)

2.8  ST-LINK/V2-1 B型USB连接器CN14

USB连接器CN14用于连接嵌入的ST-LINK/V2-1到电脑进行编程和调试STM32F746NGH6微控制器。

图18. B型USB连接器CN14(正视图)

图18.jpg


表 8. B型USB连接器CN14

引脚编号
描述
引脚编号
描述
1
VBUS (power)
4
GND
2
DM
5, 6
Shield
3
DP
-
-




如果你能看到我的世界里那些渐渐消逝的美好,你就能体会到现在所拥有的幸福。
回复

使用道具 举报

woshi_ziyu
发表于: 2015-8-24 09:24:38 | 显示全部楼层

2.9  音频立体声扬声器JP3和JP4

立体声音频输出JP3和JP4可用于支持立体声扬声器(左和右)。


2.10  音频绿色插孔(LINE OUT)CN10

3.5mm立体声音频绿色插孔输出CN10可用于支持耳机。


2.11音频蓝色插孔(LINE IN)CN11

3.5毫米立体声音频蓝色输入插孔CN11可支持音频线路输入。


2.12 SPDIF输入RCA连接器CN1

表 9.SPDIF输入RCA连接器CN1

引脚编号
描述
引脚编号
描述
1
SPDIF_RX0 (PD7)
2
GND
2
GND
-
-

如果你能看到我的世界里那些渐渐消逝的美好,你就能体会到现在所拥有的幸福。
回复

使用道具 举报

您需要登录后才可以回帖 登录 | 立即注册

本版积分规则

主题 11 | 回复: 50

精彩推荐



手机版|

GMT+8, 2025-10-17 03:01 , Processed in 0.319770 second(s), 7 queries , Gzip On, MemCache On. Powered by Discuz! X3.5

YiBoard一板网 © 2015-2022 地址:河北省石家庄市长安区高营大街 ( 冀ICP备18020117号 )

快速回复 返回顶部 返回列表