woshi_ziyu
发表于: 2015-8-24 09:24:45 | 显示全部楼层

3 电气原理图

图19. STM32F746探索板内部连接

图19.jpg


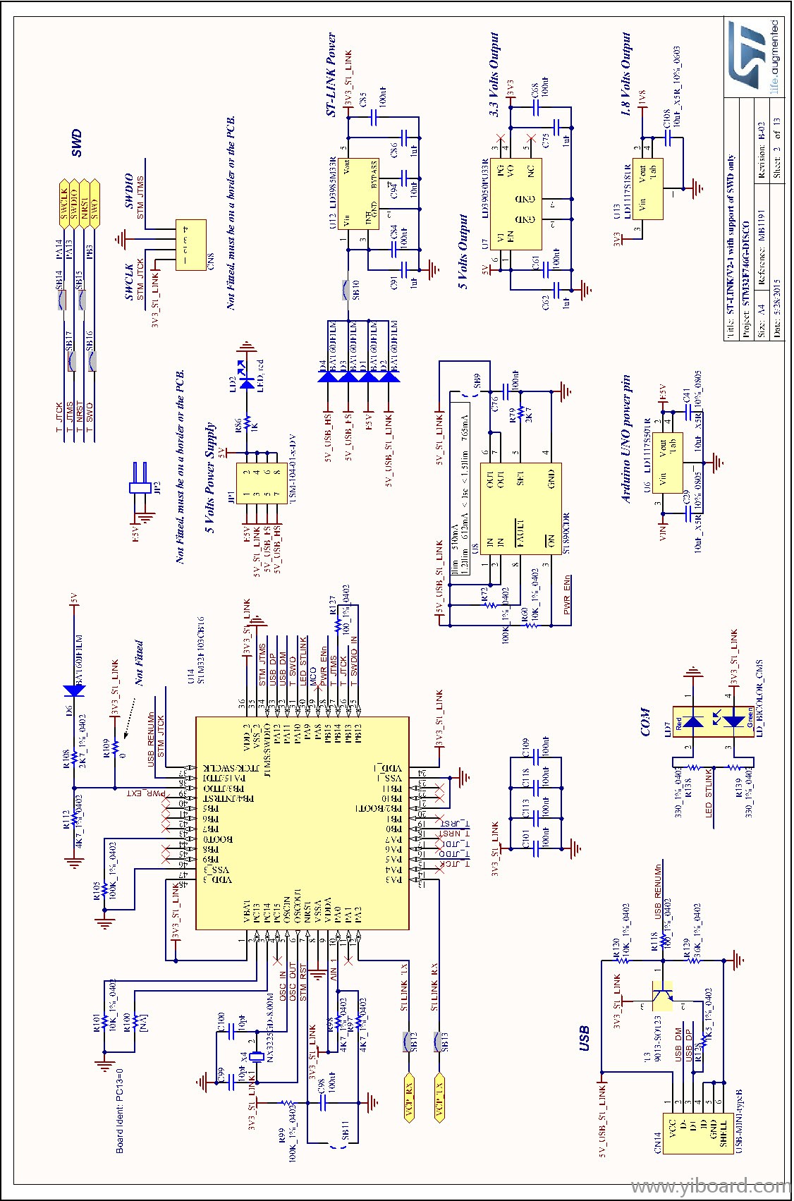
图20. ST-LINK/ V2-1仅支持SWD

图20.jpg



图21. 操纵杆,LED灯和按钮

图21.jpg



如果你能看到我的世界里那些渐渐消逝的美好,你就能体会到现在所拥有的幸福。
回复

使用道具 举报

woshi_ziyu
发表于: 2015-8-24 10:23:53 | 显示全部楼层

附录A STM32F746G-DISCO IO分配

表10.STM32F746G-DISCO IO分配

引脚编号
引脚名称
信号或标记
备注
A1
PE4
LTDC_B0
-
A2
PE3
OTG_HS_OverCurrent
-
A3
PE2
QUADSPI_BK1_IO2
-
A4
PG14
ETH_TXD1
-
A5
PE1
FMC_NBL1
-
A6
PE0
FMC_NBL0
-
A7
PB8
ARDUINO SCL/D15
-
A8
PB5
USB_OTG_HS_ULPI_D7
-
A9
PB4
ARDUINO PWM/D3
-
A10
PB3
SYS_JTDO-SWO
-
A11
PD7
SPDIF_RX0
-
A12
PC12
SDMMC_CK
-
A13
PA15
ARDUINO PWM/D9
-
A14
PA14
SYS_JTCK-SWCLK
-
A15
PA13
SYS_JTMS-SWDIO
-
如果你能看到我的世界里那些渐渐消逝的美好,你就能体会到现在所拥有的幸福。
回复

使用道具 举报

woshi_ziyu
发表于: 2015-8-24 10:23:57 | 显示全部楼层

附录B 机械层图纸

附录B.jpg


如果你能看到我的世界里那些渐渐消逝的美好,你就能体会到现在所拥有的幸福。
回复

使用道具 举报

woshi_ziyu
发表于: 2015-8-24 10:24:00 | 显示全部楼层

4 修订历史记录

表11.文档修订历史记录

日期
版本号
修改内容
2015年6月12日
1
初始版本
如果你能看到我的世界里那些渐渐消逝的美好,你就能体会到现在所拥有的幸福。
回复

使用道具 举报

woshi_ziyu
发表于: 2015-8-24 10:24:44 | 显示全部楼层

STM32F746G-DISCO探索板英文用户手册 V1.0:

UM1907: Discovery kit for STM32F7 Series with STM32F746NG MCU

中文手册下载:

STM32F746G-DISCO中文用户手册.pdf (1.85 MB, 下载次数: 2, 售价: 30 金币)



如果你能看到我的世界里那些渐渐消逝的美好,你就能体会到现在所拥有的幸福。
回复

使用道具 举报

testicles
发表于: 2016-1-27 14:38:57 | 显示全部楼层

看看,我的板子马上就到了,希望能多多交流
回复

使用道具 举报

woshi_ziyu
发表于: 2016-1-27 16:56:24 | 显示全部楼层

testicles 发表于 2016-1-27 14:38
看看,我的板子马上就到了,希望能多多交流

多谢支持 欢迎指正呢
如果你能看到我的世界里那些渐渐消逝的美好,你就能体会到现在所拥有的幸福。
回复

使用道具 举报

您需要登录后才可以回帖 登录 | 立即注册

本版积分规则

主题 11 | 回复: 47

精彩推荐



手机版|

GMT+8, 2025-12-29 05:55 , Processed in 0.080113 second(s), 5 queries , Gzip On, Redis On. Powered by Discuz! X3.5

YiBoard一板网 © 2015-2022 地址:河北省石家庄市长安区高营大街 ( 冀ICP备18020117号 )

快速回复 返回顶部 返回列表