找回密码
 立即注册
查看: 34436|回复: 0

苏州敏芯微电子的MEMS麦克风的PCB封装

[复制链接]

186

主题

26

回帖

1363

积分

版主

积分
1363
发表于 2019-7-3 17:38:26 | 显示全部楼层 |阅读模式

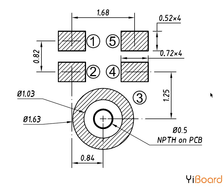
最近有客户发了两份苏州敏芯微电子的MEMS麦克风(microphone)的数据手册,进行PCB封装设计。这两款型号分别是MSM261D3526Z1CM和MSM261D4030Z1CM,引脚数目不多,主要是有一些异形焊盘以及钢网层的设计。


下图是从数据手册中PCB尺寸的截图:

尺寸1.jpg

尺寸2.jpg

以下是我们根据手册设计的PCB封装:

PCB1.jpg


博根工作室(Bolgen Studio)提供各种元器件的PCB封装定制设计,如果有需要,可以联系QQ:2591269277(博根工作室)。也可以在淘宝直接下单,链接地址:https://item.taobao.com/item.htm?id=592648298647

博根工作室是一家从事PCB封装库设计的专业服务商,专门提供各类元器件的PCB封装库,有需要可以联系我。
回复

使用道具 举报

您需要登录后才可以回帖 登录 | 立即注册

本版积分规则

QQ|手机版|YiBoard一板网 ( 冀ICP备18020117号 )

GMT+8, 2025-10-31 04:32 , Processed in 0.123582 second(s), 6 queries , Gzip On, Redis On.

Powered by Discuz! X3.5

© 2001-2025 Discuz! Team.

快速回复 返回顶部 返回列表