风筝
发表于: 2022-4-6 16:18:35 | 显示全部楼层

在这篇文章中,我们将了解上海移远公司Quectel L80 GPS模块与Arduino开发板的连接方式。Quectel的L80 GPS模块是市场上一款微型、低成本和低功耗的GPS模块。L80 GPS模块带有嵌入式贴片天线和低噪声放大器 (LNA),为工业应用带来了定位系统的高性能。


它可以在小尺寸无引线封装中以最低的功耗实现业界最高水平的灵敏度、准确度和 TTFF。即使在室内信号级别,它也能在最短的时间内捕获和跟踪卫星。与NEO-6M GPS模块和RYS8830 GPS/GNSS接收器相比,该模块具有最佳性能。


因此,在本文中,我们将Quectel L80 GPS模块与Arduino连接,并制作一款GPS接收器。 L80 GPS模块与卫星同步后,可以给出纬度、经度、速度、高度、日期和时间的值。首先,我们将L80 GPS与Arduino Nano开发板连接起来,并在串口监视器上显示GPS参数。然后我们将使用16×2 LCD显示屏来显示纬度、经度、速度、高度、日期和时间。


所需的组件

●    Arduino Nano开发板

●    Quectel L80 GPS模块

●    JHD1622A液晶显示屏

●    10K旋转电位器

●    连接跳线

●    面包板


移远L80 GPS模块

L80-GPS-Module.jpg


L80具有超紧凑设计和低功耗要求,是可穿戴健身设备的理想解决方案。在静态接收模式下,它的低功耗特性使GPS连接的功耗仅为正常模式的一半左右。结合其精度和高灵敏度,这使得L80也适用于广泛的物联网应用,例如便携式设备、汽车、个人跟踪、安全和工业PDA。


在L80顶部有一个贴片天线,尺寸为16.0mm × 16.0mm × 6.45mm,具有66个采集通道和22个跟踪通道。即使在室内信号级别,它也能在最短的时间内捕获和跟踪卫星。该模块工作在2.8V~4.3V,典型功耗为 20mA,待机模式下功耗约为1.0mA。


主要特征

●    功耗:采集25mA,跟踪20mA,待机1.0mA,后备:7uA

●    接收机类型:GPS L1 1575.42MHz C/A码,66个搜索通道,22个同时跟踪通道

●    灵敏度:采集-148dBm,重新采集-160dBm,跟踪-165dBm

●    电源:2.8V~4.3V

●    更新率:最高10Hz,默认1Hz

●    1PPS信号精度:典型精度:+/-10ns,时间脉冲宽度100ms

●    加速度精度:无辅助0.1m/s2

●    动态性能:最大海拔18000m,最大速度515m/s,加速度4G

●    UART 端口:TXD1 & RXD1 支持波特率从4800bps到115200bps,默认9600bps

●    速度精度:0.1m/s

1●    工作温度范围:-40~85℃

●    嵌入式贴片天线

●    内置LNA,灵敏度更高


将排针焊接到L80模块

L80是一款小型SMD型模块,没有任何用于测试的插头。因此,您可以使用间距为2.54的排针将它们从底部焊接到L80 PCB上。

L80-PCB-Pads.jpg


一旦焊接了L80模块上的所有12个引脚,模块就变得对面包板友好。 您现在可以轻松地将模块插入面包板上。

L80-Breadboard.jpg


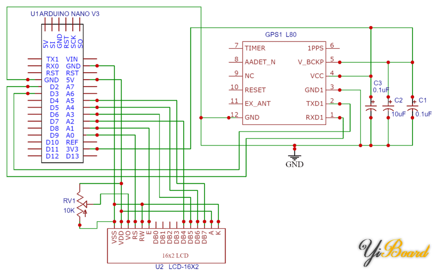
将Quectel L80 GPS模块与Arduino进行连接

现在让我们将L80 GPS模块连接到Arduino Nano开发板。请按照以下方式连接硬件。

L80-GPS-Arduino-Connection.png


连接相当简单。 连接电源的VCC/GND,不要提供超过3.3V的电压。 同样,将VCC后备电源(V_BCKP) 与VCC或外部电池连接。如果此引脚未通电,它将不起作用。


将L80的RX/TX连接到Arduino开发板的 D2/D3。该引脚用于使用软件串口的串行通信。

Arduino-L80-Connection.jpg


L80模块的Arduino代码

L80 GPS模块最好的功能就是,它支持Tiny GPS++库。 下载库并将其添加到库文件夹中。


下载以下代码并将其上传到Arduino开发板。 L80.rar (515 Bytes, 下载次数: 3)


上传代码后,打开串口监视器。最初,它显示错误的数据,因为GPS模块与卫星不同步。首次检索数据可能需要2-3 分钟。下一次以后,它会非常快速地检索位置。在串口监视器中,您将能够看到纬度、经度、高度、速度、时间和日期。

Serial2.png


使用LCD显示屏的L80 Arduino GPS接收器

让我们将LCD显示器加入到上述电路中,如下图所示。请按照以下方式连接LCD显示屏。

Arduino-GPS-LCD-Display.png


LCD的工作电压为5V。要连接LCD的rs、en、d4、d5、d6、d7引脚,您可以选择任何Arduino引脚并在代码中定义它们。例如,本文使用的是A0、A1、A2、A3、A4、A5引脚。

Quectel-L80-GPS-Arduino-.jpg


L80接收器的代码和测试

以下是将Quectel L80 GPS模块与Arduino和LCD显示屏连接的代码。复制代码并将其上传到Arduino开发板。 L80 LCD.rar (752 Bytes, 下载次数: 5)


上传代码后,等待一段时间。当GPS模块与卫星同步时,它会在LCD显示屏上显示纬度和经度值。

Latitude-Longitude.jpg


同样,它也会在液晶屏上显示当地时间和日期,以及海拔高度和物体移动的速度。

Date-Time.jpg


以上就是使用Arduino开发板连接上海移远L80 GPS模块的方法。如果有任何疑问,请随时在本帖下面进行回复。


跳转到指定楼层
您需要登录后才可以回帖 登录 | 立即注册

本版积分规则

主题 716 | 回复: 1521

精彩推荐



手机版|

GMT+8, 2025-10-17 07:25 , Processed in 0.032952 second(s), 5 queries , Gzip On, MemCache On. Powered by Discuz! X3.5

YiBoard一板网 © 2015-2022 地址:河北省石家庄市长安区高营大街 ( 冀ICP备18020117号 )

快速回复 返回顶部 返回列表