找回密码
 立即注册
查看: 29031|回复: 0

分享一个老外画的非常漂亮的电路图

[复制链接]

244

主题

50

回帖

3573

积分

管理员

积分
3573
发表于 2016-6-18 21:12:32 | 显示全部楼层 |阅读模式

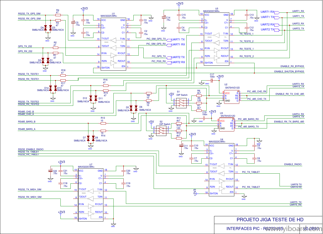
老外画得一个开源工程,画得非常漂亮,看起来很舒服。

https://easyeda.com/luizazv/ProjetoJiga-xvpHZhztK


几张原理图的效果图

Geral-OLFXR93lD.png

RS232_485-RX8kUusDP.png

Sensores_IHM-bLFXQK2kC.png

Ligacao_Conectores-WYSM4m2VP.png


回复

使用道具 举报

您需要登录后才可以回帖 登录 | 立即注册

本版积分规则

QQ|手机版|YiBoard一板网 ( 冀ICP备18020117号 )

GMT+8, 2025-10-31 04:34 , Processed in 0.118113 second(s), 6 queries , Gzip On, Redis On.

Powered by Discuz! X3.5

© 2001-2025 Discuz! Team.

快速回复 返回顶部 返回列表