一板网电子技术论坛 门户 查看主题

使用GreenPAK芯片和霍尔传感器控制三相无刷直流电机

发布者: 天南地北客 | 发布时间: 2021-8-27 11:33| 查看数: 19490| 评论数: 0|帖子模式

无刷直流电机 (BLDC),也称为电子换向电机(ECM、EC电机)或同步直流电机,是由直流电通过逆变器或开关电源供电的同步电机,它产生交流电流通过闭环控制器来驱动电机各相。控制器向控制电机速度和扭矩的电机绕组提供电流脉冲。


与有刷电机相比,无刷电机的优势在于高功率重量比、速度快以及电子控制。无刷电机在计算机外围设备、手持电动工具以及车辆等都有应用。


在下文中我们将价绍了如何编程创建直流电机控制。但是,如果您只是想尝试运行结果,请下载GreenPAK Designer软件,将GreenPAK开发套件插入计算机中,然后点击程序来设计设备。


构造和运行原理

无刷电机的结构和操作与交流电机和有刷直流电机非常相似。与所有其他电机一样,BLDC电机也由转子和定子组成(图 1)。

1.png


BLDC电机定子由叠层钢制成,​​用于承载绕组。定子中的绕组可以按两种模式排列 - 星形 (Y) 或三角形 (Δ)。两种模式之间的主要区别在于Y模式在低RPM时提供高扭矩,而∆模式在低 RPM 时提供低扭矩。这是因为在∆配置中,一半的电压施加在未驱动的绕组上,从而增加了损耗,进而增加了效率和扭矩。 BLDC 电机使用电气循环进行控制。一个电循环有6个状态。基于霍尔传感器的电机换向序列如图 2 所示。

2.png


BLDC电机运行的基本原理与有刷直流电机相同。对于有刷直流电机,反馈是使用机械换向器和电刷实现的。在BLDC电机中,使用多个反馈传感器实现反馈。最常用的传感器是霍尔传感器和光学编码器。


在三相BLDC中,极数是3的倍数,磁铁数是2的倍数。 根据磁铁和齿的数量,每个电机具有不同数量的每转步数。要计算步数 (N),我们需要知道电机中使用了多少个极数和多少个磁铁。本文中使用的电机有12个齿(极)和 16 个磁铁。

2222.png

因此,要转动1圈,我们需要产生48步。


设计

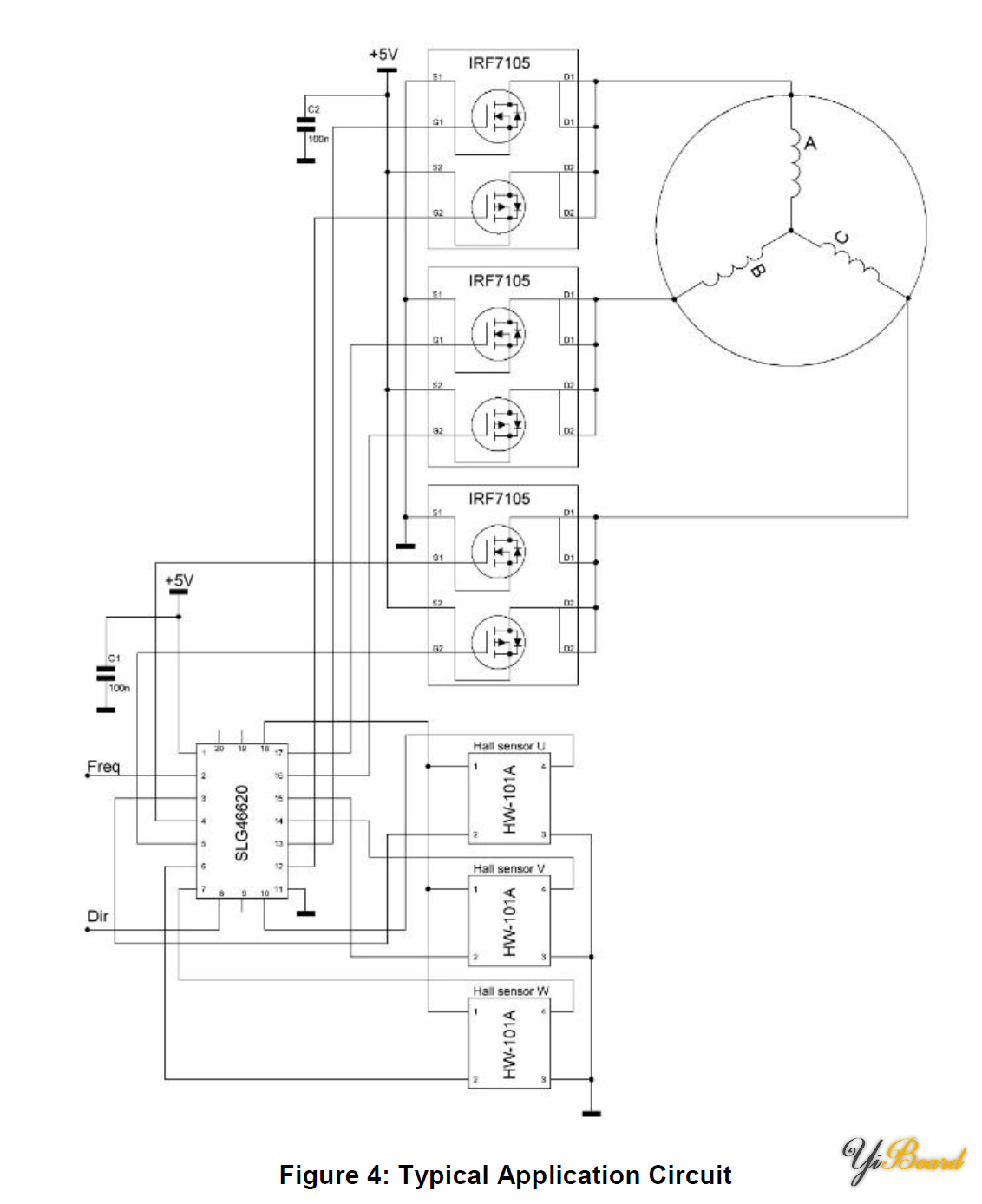
主要框图和典型应用电路分别如图3和图4所示。

3.png

4.png


该设计采用2个输入来控制电机速度和方向。 PIN#8 控制方向; Pin#8 上的高电平表示电机顺时针旋转,低电平表示逆时针旋转。 PIN#2 用于通过输入频率控制速度。此引脚上没有频率信号将关闭驱动器,电机将停止。在前500 毫秒内向该引脚施加频率将启动电机。使用输入频率使我们能够非常精确地控制电机速度。要计算RPM,我们需要知道电机包含多少个电步:

44444.png


本文中的电机有48步,因此在5kHz的频率下,电机将以6250 RPM转速运行。


该设计可分为4个部分(图 5):霍尔传感器的处理块、栅极驱动器块、PWM 控制或速度控制块以及保护块。

5_1.jpg


霍尔传感器的处理模块包括ACMP(ACMP0、ACMP3、ACMP4)、去毛刺滤波器(DLY1、DLY5、DLY6)和 DFF(DFF6、DFF7、DFF8)。本项目中使用的霍尔传感器有4个引脚; VDD、GND 和2个连接到ACMP 的 IN+ 和 IN- 输入的差分输出。内部 Vref 组件设置为 1.2 V,用作霍尔传感器的VDD。来自ACMP的滤波信号进入DFF的D输入。输入频率为这些DFF提供时钟并设置旋转速度。来自这些DFF的信号进入栅极驱动器和配置 XNOR的3位LUT14。结果是每次任何霍尔传感器改变其极性时,输出电平都会交替变化。两个边沿检测器都会生成实际速度频率(霍尔频率),将其与输入频率进行比较以生成 PWM 信号来控制旋转速度。


栅极驱动器模块包括12个3位LUT,可根据霍尔传感器的反馈对外部晶体管进行换向。其中6个LUT(3 位 LUT8 – 3 位 LUT13)用于CW方向,另外6个(3 位 LUT1 – 3 位 LUT6)用于切换 CCW方向。该模块还包括3个2位LUT(2 位 LUT4、2 位 LUT5 和 2 位 LUT6),用于将每相PMOS晶体管的信号与PWM混合,以确保转速与负载无关。


PWM 控制包括 PWM2 组件、计数器 CNT8、有限状态机 FSM1、3 位 LUT15、2 个 DFF(DFF0 和 DFF1)、上升沿检测器 PDLY0 和反相器 INV0。 DFF0 和 DFF1 一起用作频率比较器;当输入频率高于霍尔频率时,DFF0 nQ 输出变为低电平;当输入频率低于霍尔频率时,DFF1 nQ 输出变为低电平。在“+”输入为低电平时,PWM2 OUT+ 输出将生成占空比范围为 256/256 至 1/256 的 PWM 信号。在“-”输入为低电平时,PWM2 OUT+ 将生成占空比从 1/256 变化到 256/256 的 PWM。 PWM 频率约为 100 kHz,启动时 IC 的占空比设置为 0%。电机停止,直到施加到 PIN2 的输入频率。将频率应用于 PIN2 后,DFF0 nQ 输出将变为低电平,PWM 会将占空比从0增加到99.6%。电机将继续旋转,直到霍尔传感器超过输入频率。此时,DFF0 nQ 输出将变为高电平,而 DFF1 nQ 输出将变为低电平。这种反转会导致 PWM 占空比在电机上看到的即时 VDD 和负载处降低到可接受的值。该系统将不断工作以平衡PWM占空比。 FSM1、CNT8、3 位 LUT15 和 PWM2 的功能在应用笔记 AN-1052中有更详细的描述。


保护块包括2个继电器(DLY2 和 DLY9)、计数器 CNT0 和配置为 XOR门的2 位 LUT0。这部分设计用于保护电机和外部 FET 不被烧坏。如果电机卡住或无法启动,霍尔传感器将无法提供关闭电机所需的反馈。如果在 100 毫秒后没有收到反馈,DLY2 输出将变为低电平并且 2 位 LUT0 关闭电机。如果发生这种情况,CNT0 和 DLY9 会尝试每 500 毫秒启动一次电机,持续 8 毫秒。这段时间足以启动电机,但不足以对电机造成损坏。

6.png


总结

本文描述了如何使用SLG46620 GreenPAK IC 和霍尔效应传感器控制三相无刷直流电机。 SLG46620还包含可用于该项目的其他功能。例如,GreenPAK 中的ADC可以解释输入直流电压并根据该值生成 PWM 脉冲,而不是使用输入频率。


Dialog GreenPAK通过将可配置性重新交到设计人员手中,逆转了这一设计过程。通过将此GreenPAK 应用程序用作普遍适用三相 BLDC 电机控制方案,设计人员可以选择满足其项目独特电气规格的引脚分配和外部FET。此外,即使考虑到外部FET,Dialog GreenPAK 解决方案的成本仍然很低且足够小,因此与专用 IC相比,系统设计和BOM成本极具竞争力。

最新评论



手机版|

GMT+8, 2025-12-7 21:42 , Processed in 0.068251 second(s), 3 queries , Gzip On, Redis On. Powered by Discuz! X3.5

YiBoard一板网 © 2015-2022 地址:河北省石家庄市长安区高营大街 ( 冀ICP备18020117号 )

快速回复 返回顶部 返回列表